产品规格参数
basic parameters
条装服务
Strip service
导轨长度计算公式
如:
4位TR-300A条装型号:TR-300A
=接线端子4位×厚度+2个×固定件厚度+两边安装位置(约35mm)
=4×45mm+2个×10mm+35mm=235mm
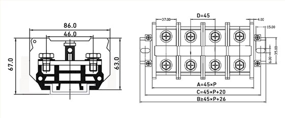
A=端子总长度=45.0×P
B=导轨安装孔中心距离≥45.0×P+26
C=最小导轨长度=45.0×P+20
D=端子厚度=45.0
特性
① 用于电气信号和电源传输② 负载电流300A
③ 大小规格和位数可以任意组装 ④ 可以定制标记条内容⑤ 可见截面积150㎜2
⑥ 支持DG-L(铝轨)/T(铁轨)-C45导轨安装
⑦ 螺钉端子连接(螺钉防滑丝)
产品规格参数
basic parameters
条装服务
Strip service
如:
4位TR-300A条装型号:TR-300A
=接线端子4位×厚度+2个×固定件厚度+两边安装位置(约35mm)
=4×45mm+2个×10mm+35mm=235mm
A=端子总长度=45.0×P
B=导轨安装孔中心距离≥45.0×P+26
C=最小导轨长度=45.0×P+20
D=端子厚度=45.0