产品规格参数
basic parameters
条装服务
Strip service
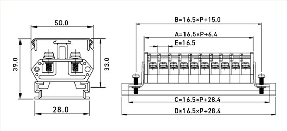
导轨长度计算公式
如:
10位JH9-60条装型号:JH9-6010
=接线端子10位×厚度+2个×隔板厚度+2个×固定件厚度
=10×16.5mm+2个×3.2mm+2个×11mm=193.4mm即200mm
A=端子总长度=16.5×P+6.4
B=导轨安装孔中心距离=16.5×P+15.0
C=最小导轨长度=16.5×P+28.4
D=导轨总长度=(≥16.5×P+28.4)
E=端子厚度=16.5





